Insane Hydraulics

Site theme image

A Garbage Truck's Tale: The Case of the Creeping Cylinders

You can find plenty of theory in serious hydraulic courses, but in my opinion, nothing beats a real-life troubleshooting story - even when it's about something as simple as a creeping hydraulic cylinder, probably the most boring hydraulic malfunction in the world. The case I'm about to describe is simple, yet it contains valuable insights and effectively illustrates two important points every hydraulic technician should be aware of. I hope you enjoy it.

I received a quote request for a small Hawe pre-load check valve with a 3-bar spring (VR2.3G). It seemed like a perfectly normal request until the client casually mentioned that it was intended as a replacement for an old one that was causing his hydraulic cylinders to creep. Hm... Pretty strange... I looked it up (catalog), and this particular model was not leak-free. I knew there were situations when such a valve could be used to prevent a cylinder from dropping down, but it couldn't possibly be the cause of an emergent creeping because its internal construction already allowed for minor leakage by design:

By the way, here's your first knowledge nugget: a pre-load valve, among other things, can be used to stop single-acting cylinders that are not positively linked to the load from continuing to lower when the load gets stuck due to external reasons. A good example is a forklift with the forks already sliding over a truck bed while the operator is still pushing the lever and backing away. If the mast cylinder is equipped with such a valve (adequately calibrated, of course), it will stop or significantly slow the lowering speed as soon as the chain slacks, preventing the forks from dropping down with a bang when they "scrape clear" of the bed. It acts like a low-pressure counterbalance valve with a reverse flow bypass, if you will.

Anyhow, I asked the man why he was so sure it was the valve, and he said that one of his mechanics discovered that plugging it stopped the creeping. Hm... Even more strange... Without a hydraulic diagram or a clear explanation of how the system worked, I couldn't do much, so I provided the requested quote, voiced my concerns, and forgot about it.

Some time later, however, he called again and said: "I am sorry to bother you, mate, but we can't figure this one out! We resealed and tested the cylinders and also replaced the load-holding valve, but they keep drifting down. Can you drop by and have a look?" Of course, I can! Nothing excites me more than a hydraulic problem no one can fix!

Here are the "creepers" - two double-acting cylinders connected in parallel, moving the arms of a rear loader of a garbage truck:

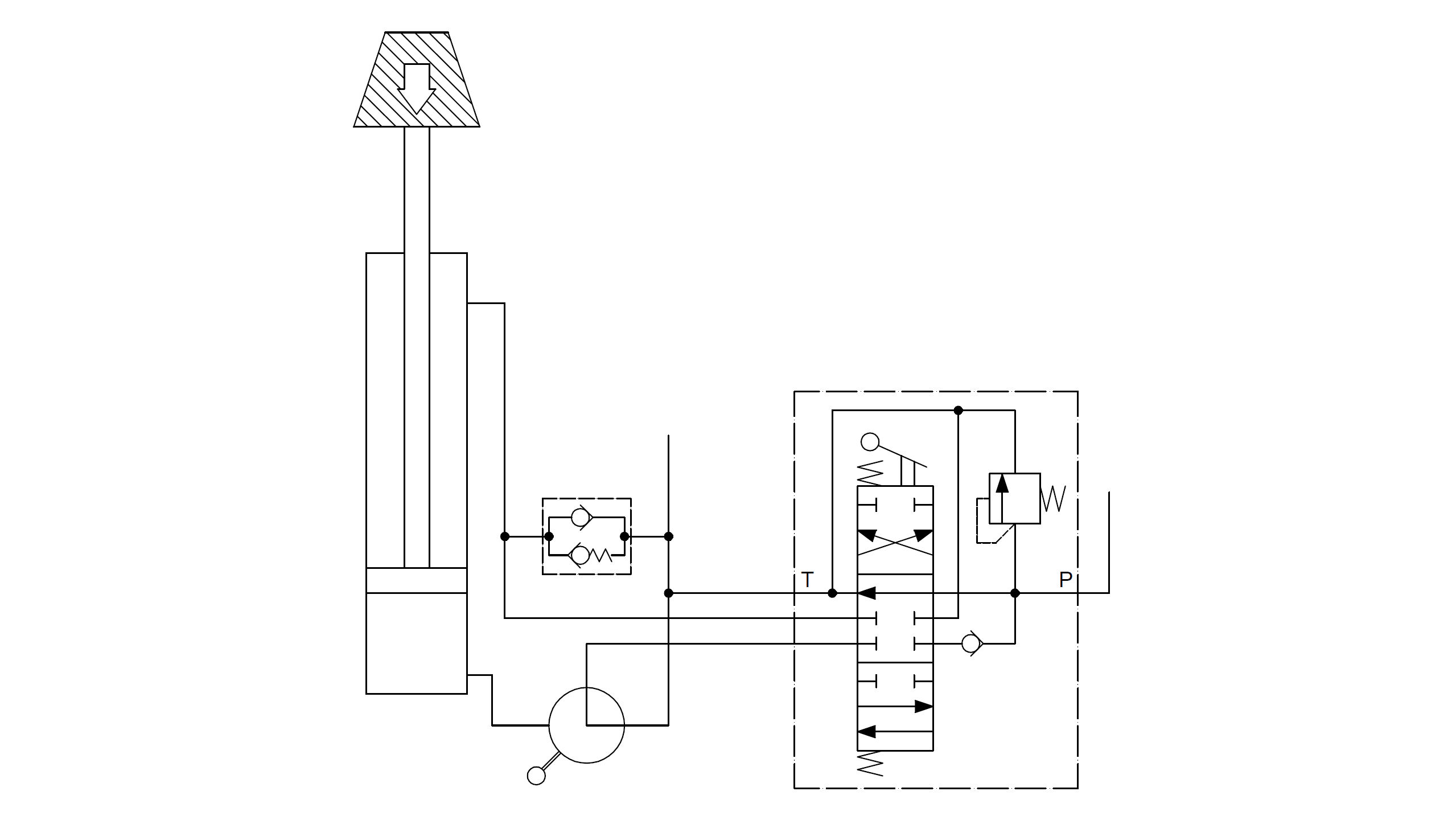
At this point, I will ask you not to look too closely at the details of the hydraulic circuit on these pictures, but rather to concentrate on what I am telling you. Essentially, what I saw was a double-acting cylinder supporting a light gravity load with the piston area, a manual directional control valve for... well... directional control, and a manual three-way ball valve for the (definitely not ideal) load-holding solution:

Indeed, the arms would slowly creep down, even when the ball valve was in the closed position, at a rate of approximately an inch per ten minutes. In this case, the diagnostic was straightforward: when an oil-filled cylinder closes, the rod goes in, which means the oil must go out somewhere - so, I closed the ball valve, disconnected the lines, and when we removed the support under the arm frame, we immediately saw that the line connected to the rod end of the cylinders started to fill slowly with oil, which could only mean one thing - either one of both of the pistons were bypassing fluid from the blind to the rod end:

An important safety note: This open-port test was conducted in a controlled shop environment, and we had all the tools to safely support and release the (very light) arm frame. In fact, there was no need to disconnect the rod-end connection. The fact that no oil was filling the disconnected ports of the load-holding valve while the rods were creeping into the cylinders would automatically indicate that the oil was escaping through the rod-end line. But you know how it is in a "normal" shop - you don't believe it until you see it, especially if you're the guy who repaired and tested the cylinders. "Dude, them seals are bypassing" - "No way, man, I tested them a hundred times! It has to be something else!" However, when you see a fitting that slowly but undeniably fills with oil, you can't argue with that, can you?

I bet some of you are wondering what the pre-load valve I described at the beginning of this article has to do with all that. Do not worry - all the covers will be lifted in due time!

So, the problem was found - a by-passing piston seal. But how could it be? The cylinders had been thoroughly tested on a bench. So - let us have a look at the test and discover why it failed to detect this leakage.

The very well-executed cylinder test bench was simple but functional. It read the pressures in both ends of a tested cylinder with quality digital pressure sensors, and it allowed for isolating the lines. The customary cylinder test protocol was as follows: First, a cylinder was cycled several times, then it was pressurized in both directions at rated pressure and inspected for leaks. Then, the piston was placed in the middle of its travel, the blind end was closed off, the rod end was pressurized, and the operator would monitor both the pressures in the cylinder chambers and the rod movement. Any increase of the pressure in the blind end, along with a noticeable displacement of the rod, would be an indicator of an internal leak:

So, here's a second knowledge nugget for you: Such a test of a double-acting hydraulic cylinder is a valid but not an ideal test. It's valid because it still allows you to cycle a cylinder and detect external leaks, but it is not ideal for detecting internal leakage because:

a) It can only detect internal leakage that is directed from the rod end to the blind end. If, for example, a piston used two uni-directional seals instead of a single symmetrical seal, the cylinder would pass such a test with flying colors even if you removed the blind end seal completely!

b) If the piston is equipped with a single symmetrical seal, this test places it in a condition where it is pressurized from both sides, which is not the same as when it is pressurized from one side only.

c) Such a test is often conducted at a pressure close to the rated pressure, which can compress the elastic seal enough to close minor leak paths (like scratches on the tube surface). However, such leaks can become an issue at lower pressures.

The truth is, there's no such thing as an "ideal hydraulic cylinder test." There are benches equipped with actuators that can actively load a tested cylinder in both directions, and they are awesome but also extremely rare. I honestly would love to build one myself, but for reasons "economic and other," I don't see this ever happening. But that's a sentimental thought. The important thing is, you, as a hydraulic tech, should understand that such a test has its limitations and cannot serve as a 100% guarantee of the absence of internal leakage.

Let us move from the problem to the solution now. We had just discovered that the cylinders were bypassing, and we also fetched the old seals and discovered metal particles embedded in the plastic guide rings, which most likely meant the tubes were scratched. But we also needed to find a rapid solution because the repair was urgent.

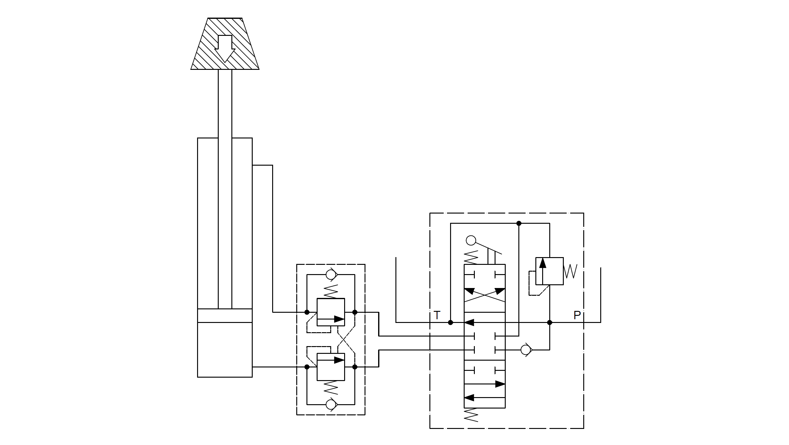
So, you see a cylinder that supports a very light load and drifts due to a minor leak between the chambers. Is there an immediate solution that would allow the machine to operate until new cylinders arrive? If you tell this to any hydraulic tech and explain that the cylinders are supporting the load in a way that the load is causing the cylinders to retract, I bet he (or she) would immediately say: "As a temporary solution, you can use a double over-center valve - it will seal off both of the lines, and even though the internal leak of the cylinder will increase the load-induced pressure, since it is so low (the weight of the frame and the arms was inducing less than 20 bar) - the cylinder will still be able to hold the frame in the air without drifting in a "temporary plunger mode." What did you say? A closed-center spool? Well... Yeah... It's going to work anyway because the DCV looks... a little used."

Cool, let us test that! So, we connected the cylinders directly to the directional valve via a double over-center valve, and boom - the "rams" stopped drifting!

Hurrah! We did it! Problem solved!

But then... I looked at the picture of the original piping again, then made some scribbles on a piece of paper, and then face-palmed myself and said: "No! No hurrah! No solved!" Indeed, the cylinders were no longer creeping down, and the correct sequence of movements was still there (first the arms would lift the garbage container up, and then a second set of cylinders would flip it over into the hopper), but it was not a good solution. The problem was that I, as a hydraulic tech solving a typical hydraulic issue - namely, drift-free cylinder control - solved one problem, but created another, and a major one at that. And it happened because I omitted two important things (in other words, two more knowledge nuggets coming): I neglected to consider the machine's operational environment, and I (shamefully) forgot to evaluate the complete hydraulic circuit related to the movement of this particular set of hydraulic cylinders before I began introducing "educated changes," which in this case was the application of the over-center valve, placed directly between the actuators and the respective directional valve.

Have you seen it yet? Here's a hint - I am about to finally fit the aforementioned pre-load check valve into this puzzle.

I'm sure you have figured it out by now, but I will spell it out anyway. First, consider the operation and environment of this particular actuator. This is a tailgate of a garbage truck, which always operates in close proximity to operators, random bystanders, and property. This means that certain movements, especially the ones directed downwards, may require force limitation for safety reasons. When I introduced the over-center valve and placed it directly between the DCV and the cylinders, I removed an essential part of this circuit. Here's the diagram of the original connections with the Hawe pre-load valve in place. Can you tell its function?

That's right, I fixed the cylinder drift, but I also made the arms capable of producing hundreds (if not thousands) of kilograms of downward force because I removed the pre-load valve that was functioning as a relief with a super-low setting of 3 bar. The pictures at the beginning of this article actually show a uni-directional flow restrictor that had been mounted instead of the pre-load check for diagnostic purposes during earlier troubleshooting. This is the original valve:

With the original system, any obstacle under the lowering arms (like a badly placed garbage container) would stop them immediately. After the over-center "upgrade," however, the arms would either rip through whatever happened to be placed under them, or lift the truck off the ground!

I have to confess that it was one hundred percent my blunder. I should have made the diagram of the circuit before I began the intervention, not at the end of it! I usually do that, but in this case, the fact that I was short on time and eager to solve the problem fast played a trick on me. I'm glad that I eventually took a sheet of paper and made the schematic anyway - and then it dawned on me that I may have just created a killer garbage truck. I think I said, "I'm sorry, guys, but I screwed up on this one. You're going to have to remove and fix those cylinders after all..." - and then explained why.

This case is kind of stupid because it's so simple, but my point is that even a simple case can teach you something. And even a simple case can turn into something super-dangerous if you forget about the universal hydraulic diagnostics law: "You only mess with a circuit if you know its function and purpose, and never if you don't!"